We will use cookies and other information to optimize your experience. By continuing to browse, you consent to our use. For details, please read Privacy Policy
MSL Enterprises Corp.
  • 中文
  • Vietnamese
  • About MSL
    • Company Profile
    • Manufacturing mode
      • COPPER WIRE PROCESS
      • PVC PROCESS
      • CABLES/OPTICAL CABLE PROCESS
      • DC ASSEMBLY
      • AC ASSEMBLY
      • FIBER ASSEMBLY
    • Factory Location
      • ShenZhen,China
      • Nam Dinh, Vietnam
    • Laboratory
    • International certification
    • Video
    • Join Us
    • Contact
  • News
  • Products
    • LAN CABLE
      • CAT.5e UTP
      • Cat.5e STP
      • Cat.5e SSTP
      • CAT.6 UTP
      • CAT.6 STP
      • CAT.6 SSTP
      • CAT.6A UTP
      • CAT.6A STP
      • Mini Cat.6 UTP
      • Mini Cat.6A UTP
      • TELEPHONE CABLE
      • CABLES
      • S/FTP CAT.8
    • FIBER
      • MTP/MPO UPC
      • LC
      • SC
      • ST
      • OTHERS
    • SIGNAL CABLE
      • HDMI
      • Displayport
      • Mini Displayport
      • DVI
      • VGA
      • IEEE 1394
      • CABLES
    • USB CABLE
      • USB 4.0
      • USB 2.0
      • USB 3.0
      • USB 3.1
      • iPhone Lightning
      • CABLES
    • COMPUTER CABLE
      • DB
      • HD
      • CN
      • MD
      • DIN
      • HPCN
      • HPDB
      • U2CN
      • MOL60
      • CABLES
    • AUDIO/VIDEO CABLE
      • 2.5SP/SJ
      • 3.5SP/SJ
      • 3.5MP/MJ
      • DCP5.5*2.1
      • DCP5.5*2.5
      • DC6.3SP
      • RCA
      • BNC
      • CABLES
    • INTERNAL CABLE
      • FC Cable
      • Wire Harness
      • SATA Cable
      • CABLES
    • ADAPTER & GENDER CHANGER
      • HDMI
      • DVI
      • Displayport
      • USB
      • RJ
      • DB
      • HD
      • MD
      • RCA
      • Keystone Plate
      • Wall Plate
      • OTHERS
    • MODULAR PLUG
      • 6P4C
      • 8P8C
    • KEYSTONE JACK
      • Cat.5e
      • Cat.6
      • LC
      • OTHERS
    • CONNECTER
      • DB SERISE
      • DC SERISE
      • DP SERISE
      • HD SERISE
      • OTHERS
    • MANUAL SWITCH BOXES
    • POWER CORD
      • NEMA 6-20R
      • IEC60320 C5
      • IEC60320 C7
      • IEC60320 C13
      • IEC60320 C14
      • IEC60320 C15
      • IEC60320 C19
      • IEC60320 C20
      • IEC60320 C21
      • NEMA 1-15P 
      • NEMA 5-15P
      • NEMA 5-15R
      • NEMA L5-20P
      • NEMA L6-20P
      • DIN49441
      • DIN49406
      • EN50075Sheet1
      • BS1363-1
      • ASNZS3112
  • Download
    • CATALOG
    • CERTIFICATE
  • Contact
  • Inquiry cart(0)
  • Disclaimer
  • Terms
  1. Home
  2. Products
  3. POWER CORD
  4. IEC60320 C13
PRODUCTS Products
  • LAN CABLE
    • CAT.5e UTP
    • Cat.5e STP
    • Cat.5e SSTP
    • CAT.6 UTP
    • CAT.6 STP
    • CAT.6 SSTP
    • CAT.6A UTP
    • CAT.6A STP
    • Mini Cat.6 UTP
    • Mini Cat.6A UTP
    • TELEPHONE CABLE
    • CABLES
    • S/FTP CAT.8
  • FIBER
    • MTP/MPO UPC
    • LC
    • SC
    • ST
    • OTHERS
  • SIGNAL CABLE
    • HDMI
    • Displayport
    • Mini Displayport
    • DVI
    • VGA
    • IEEE 1394
    • CABLES
  • USB CABLE
    • USB 4.0
    • USB 2.0
    • USB 3.0
    • USB 3.1
    • iPhone Lightning
    • CABLES
  • COMPUTER CABLE
    • DB
    • HD
    • CN
    • MD
    • DIN
    • HPCN
    • HPDB
    • U2CN
    • MOL60
    • CABLES
  • AUDIO/VIDEO CABLE
    • 2.5SP/SJ
    • 3.5SP/SJ
    • 3.5MP/MJ
    • DCP5.5*2.1
    • DCP5.5*2.5
    • DC6.3SP
    • RCA
    • BNC
    • CABLES
  • INTERNAL CABLE
    • FC Cable
    • Wire Harness
    • SATA Cable
    • CABLES
  • ADAPTER & GENDER CHANGER
    • HDMI
    • DVI
    • Displayport
    • USB
    • RJ
    • DB
    • HD
    • MD
    • RCA
    • Keystone Plate
    • Wall Plate
    • OTHERS
  • MODULAR PLUG
    • 6P4C
    • 8P8C
  • KEYSTONE JACK
    • Cat.5e
    • Cat.6
    • LC
    • OTHERS
  • CONNECTER
    • DB SERISE
    • DC SERISE
    • DP SERISE
    • HD SERISE
    • OTHERS
  • MANUAL SWITCH BOXES
  • POWER CORD
    • NEMA 6-20R
    • IEC60320 C5
    • IEC60320 C7
    • IEC60320 C13
    • IEC60320 C14
    • IEC60320 C15
    • IEC60320 C19
    • IEC60320 C20
    • IEC60320 C21
    • NEMA 1-15P 
    • NEMA 5-15P
    • NEMA 5-15R
    • NEMA L5-20P
    • NEMA L6-20P
    • DIN49441
    • DIN49406
    • EN50075Sheet1
    • BS1363-1
    • ASNZS3112

IEC60320 C13

Selected 0 Products ( Single product comparison is limited to 3 )

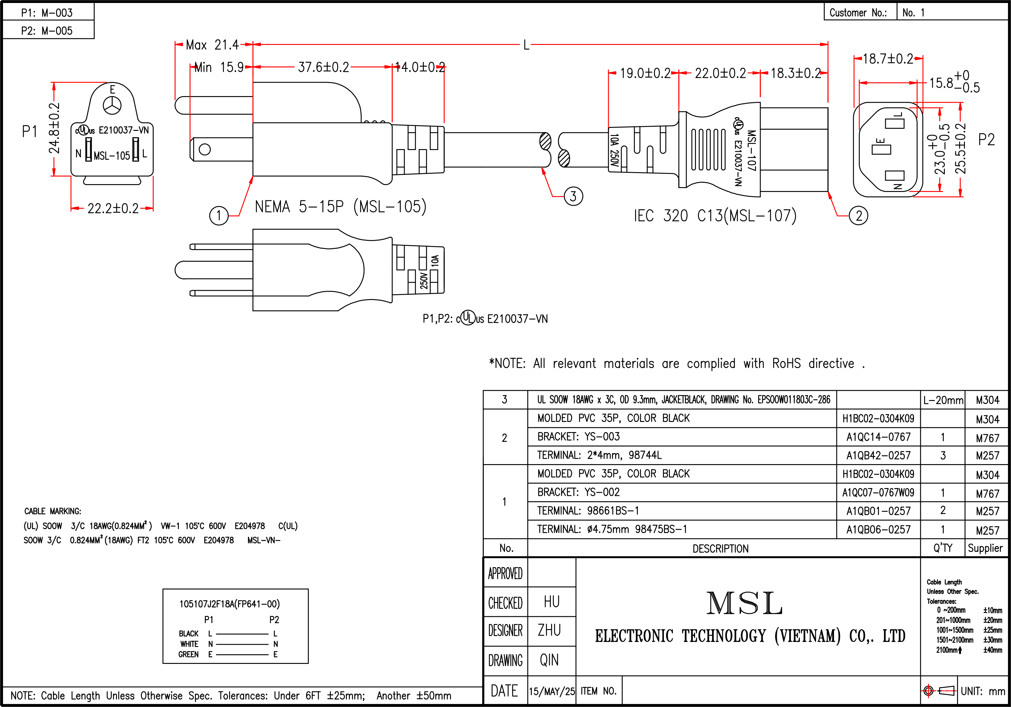
Rubber Power Cord IEC 320 C13 - NEMA 5 15P

View product drawings
Add to product comparison Add to inquiry cart
Line number FP641-00
length 0.5FT - 15FT
Plug number A1QB01-0257、A1QB06-0257、A1QB42-0257
Wire specification UL SOOW 18AWG x 3C,OD 9.3mm, JACKETBLACK,DRAWING NO.EPSOOWO11803C-286
colour BLACK
Reference safety UL

Reviews

(0)
(0)
(0)
(0)
(0)
0
0 Reviews
WRITE A REVIEW

WRITE A REVIEW

Back
Contact Us
MSL Enterprises Corp.
was founded in 1987. President:Mr.Lenny Lee
No. 57, Dahua Rd., Chung Li City, 32065, Taiwan, R.O.C
TEL: 886-3-4559414
FOX: 886-3-4559464
E-Mail : info@msl.com.tw
  • About MSL
  • Products
  • News
  • Download
  • Contact
  • Inquiry cart
  • Join Us
  • Disclaimer
  • Terms
TOP
  • 0
  • 中文
  • Vietnamese
  • About MSL
    • Company Profile
    • Manufacturing mode
      • COPPER WIRE PROCESS
      • PVC PROCESS
      • CABLES/OPTICAL CABLE PROCESS
      • DC ASSEMBLY
      • AC ASSEMBLY
      • FIBER ASSEMBLY
    • Factory Location
      • ShenZhen,China
      • Nam Dinh, Vietnam
    • Laboratory
    • International certification
    • Video
    • Join Us
    • Contact
  • News
  • Products
    • LAN CABLE
      • CAT.5e UTP
      • Cat.5e STP
      • Cat.5e SSTP
      • CAT.6 UTP
      • CAT.6 STP
      • CAT.6 SSTP
      • CAT.6A UTP
      • CAT.6A STP
      • Mini Cat.6 UTP
      • Mini Cat.6A UTP
      • TELEPHONE CABLE
      • CABLES
      • S/FTP CAT.8
    • FIBER
      • MTP/MPO UPC
      • LC
      • SC
      • ST
      • OTHERS
    • SIGNAL CABLE
      • HDMI
      • Displayport
      • Mini Displayport
      • DVI
      • VGA
      • IEEE 1394
      • CABLES
    • USB CABLE
      • USB 4.0
      • USB 2.0
      • USB 3.0
      • USB 3.1
      • iPhone Lightning
      • CABLES
    • COMPUTER CABLE
      • DB
      • HD
      • CN
      • MD
      • DIN
      • HPCN
      • HPDB
      • U2CN
      • MOL60
      • CABLES
    • AUDIO/VIDEO CABLE
      • 2.5SP/SJ
      • 3.5SP/SJ
      • 3.5MP/MJ
      • DCP5.5*2.1
      • DCP5.5*2.5
      • DC6.3SP
      • RCA
      • BNC
      • CABLES
    • INTERNAL CABLE
      • FC Cable
      • Wire Harness
      • SATA Cable
      • CABLES
    • ADAPTER & GENDER CHANGER
      • HDMI
      • DVI
      • Displayport
      • USB
      • RJ
      • DB
      • HD
      • MD
      • RCA
      • Keystone Plate
      • Wall Plate
      • OTHERS
    • MODULAR PLUG
      • 6P4C
      • 8P8C
    • KEYSTONE JACK
      • Cat.5e
      • Cat.6
      • LC
      • OTHERS
    • CONNECTER
      • DB SERISE
      • DC SERISE
      • DP SERISE
      • HD SERISE
      • OTHERS
    • MANUAL SWITCH BOXES
    • POWER CORD
      • NEMA 6-20R
      • IEC60320 C5
      • IEC60320 C7
      • IEC60320 C13
      • IEC60320 C14
      • IEC60320 C15
      • IEC60320 C19
      • IEC60320 C20
      • IEC60320 C21
      • NEMA 1-15P 
      • NEMA 5-15P
      • NEMA 5-15R
      • NEMA L5-20P
      • NEMA L6-20P
      • DIN49441
      • DIN49406
      • EN50075Sheet1
      • BS1363-1
      • ASNZS3112
  • Download
    • CATALOG
    • CERTIFICATE
  • Contact
  • Inquiry cart(0)
  • Disclaimer
  • Terms